
您當前的位置:首頁 / 產品展示 / 蛇形聯軸器系列 / LTZ(TLL)型帶制動輪彈性套柱銷聯軸器
產品展示
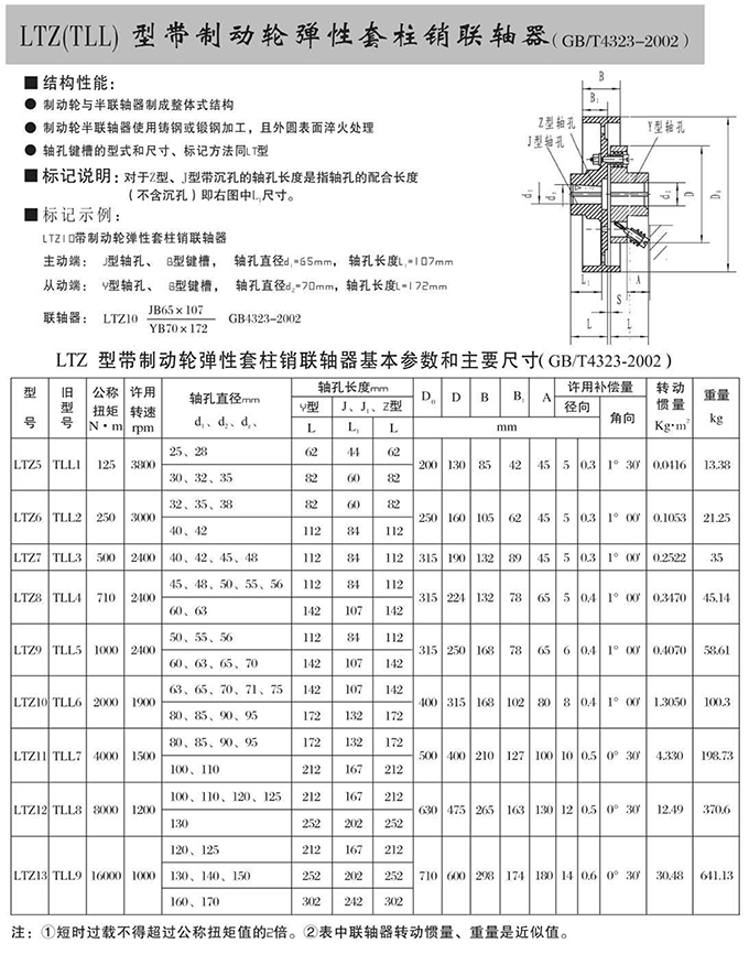
瑞安市寶德隆機械配件有限公司提供LTZ(TLL)型帶制動輪彈性套柱銷聯軸器具有拆裝方便,快速安裝等特點,廣泛用于連接/固定輪轂孔和零件的軸,例如齒輪,錐齒輪,鏈輪,葉輪,凸輪,皮帶輪和飛輪等軸的聯結固定,咨詢電話:18906872378
產品詳情

相關信息
在新時代,有著新的挑戰,寶德隆本著“以質量求生存,以服務求發展”的企業理念,繼續奮進,不斷創新
在線留言
尋找可靠的閥門配件來豐富您的產品線,如果有任何疑問歡迎留言咨詢瑞安市寶德隆機械配件有限公司
Ruian Baodelong Machinery Parts Co., Ltd
手機網站